Là một doanh nghiệp Micro Switch 3 thiết bị đầu cuối bán trực tiếp chuyên nghiệp với 35 năm kinh nghiệm trong sản xuất thiết bị chuyển mạch, Nhà máy cáp Yueqing Tongda tập trung vào 'tùy chỉnh theo nhu cầu, công nghệ đảm bảo an toàn' và tập trung vào các sản phẩm chính như Công tắc Rocker, Nút nhấn màu đỏ, Công tắc Micro NO/NC và NC nút nhấn, cung cấp các giải pháp chuyển mạch tùy chỉnh cho các lĩnh vực khác nhau bao gồm các lĩnh vực công nghiệp, nhà thông minh, y tế và hàng hải. Với sự đổi mới công nghệ và kiểm soát chất lượng nghiêm ngặt, nó đã trở thành một chuẩn mực trong lĩnh vực thiết bị chuyển mạch tùy chỉnh.
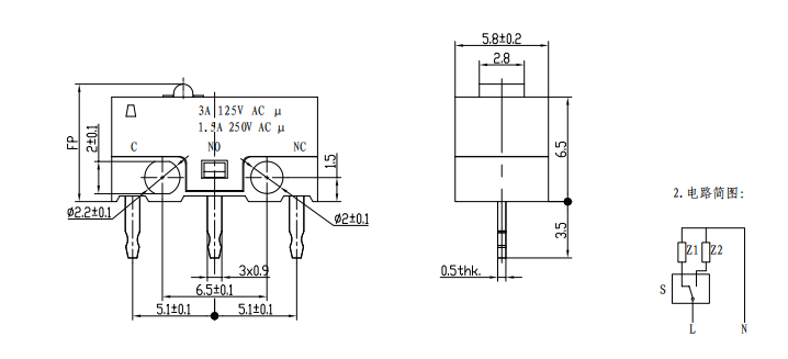
Giới thiệu công tắc vi mô

Thông số chuyển đổi vi mô (Thông số kỹ thuật)
| MỤC | Thông số kỹ thuật chính |
| 1 | Đánh giá điện: 3A 250VAC |
| 2 | Tuổi thọ điện: Chu kỳ tối thiểu 10000 |
| 3 | Điện trở tiếp xúc:<50mΩ |
| 4 | Lực lượng điều hành: 70±20gf |
| 5 | Vị trí tự do: 7,3 ± 0,2mm |
| 6 | Vị trí hoạt động: 7,0 ± 0,2mm |
| 7 | Nhiệt độ môi trường xung quanh: T85° |
| 8 | Chịu được điện áp: Giữa thiết bị đầu cuối và thiết bị đầu cuối 500V/5S/5mA; |
| Giữa các cực và vỏ 1500/5S/5mA | |
| 9 | Điện trở cách điện:>100MΩ Điện áp thử nghiệm 500VDC |
| 10 | Chỉ số theo dõi bằng chứng PTI: 175V |
Chi tiết chuyển đổi vi mô
