Là công tắc vi mô lõi được Yueqing Tongda phát triển cho các tình huống điều khiển chính xác cho mục đích chung, dòng Công tắc vi mô chuột khóa cửa điện tử được định vị xoay quanh 'thiết kế nhỏ gọn và kích hoạt nhanh, chính xác.' Với 38 năm kinh nghiệm trong sản xuất công tắc vi mô, nó kết hợp phản hồi nhạy, tuổi thọ cao và khả năng thích ứng rộng, khiến nó trở thành thành phần chính để điều khiển mạch trong điện tử tiêu dùng, điều khiển công nghiệp, thiết bị nhà thông minh, v.v., cung cấp các giải pháp bật/tắt chức năng và phát hiện hành trình đáng tin cậy cho thiết bị.
Giới thiệu công tắc vi mô
Là công tắc vi mô lõi được Yueqing Tongda phát triển cho các tình huống điều khiển chính xác cho mục đích chung, dòng HK-20 được định vị dựa trên 'thiết kế nhỏ gọn và kích hoạt nhanh, chính xác'. Với 38 năm kinh nghiệm trong sản xuất công tắc vi mô, nó kết hợp phản hồi nhạy, tuổi thọ cao và khả năng thích ứng rộng, khiến nó trở thành thành phần chính để điều khiển mạch trong điện tử tiêu dùng, điều khiển công nghiệp, thiết bị nhà thông minh, v.v., cung cấp các giải pháp bật/tắt chức năng và phát hiện hành trình đáng tin cậy cho thiết bị.
Sử dụng cơ chế kích hoạt nhanh hành động nhanh đã được cấp bằng sáng chế, thời gian phản hồi kích hoạt là 8ms, cải thiện hiệu suất 25% so với các công tắc vi truyền thống. Hành trình kích hoạt được kiểm soát chính xác trong khoảng 0,3-1,0mm, với phạm vi lực vận hành là 1,5-4N. Phản hồi nhấn rõ ràng và sắc nét, không bị dính hoặc phát tự do, cho phép điều khiển chính xác 'chạm nhẹ để kết nối, nhả để đứt', hoàn toàn phù hợp cho các tình huống yêu cầu độ nhạy kích hoạt cao. Các tiếp điểm được làm bằng hợp kim thiếc-bạc có độ tinh khiết cao và được xử lý bằng phương pháp hàn điểm chính xác, có điện trở tiếp xúc ban đầu 30mΩ. Tải định mức hỗ trợ 1A/250V AC và 3A/125V AC, ngăn chặn hiệu quả hiện tượng nóng hoặc cháy tiếp xúc khi dòng điện đi qua.
Thích ứng với các nút chức năng và phát hiện hành trình của máy in di động, tai nghe Bluetooth và thiết bị đeo thông minh. Kích thước thu nhỏ của nó hoàn toàn phù hợp với thiết kế nhỏ gọn của thiết bị và khả năng kích hoạt nhạy bén của nó giúp nâng cao trải nghiệm vận hành của người dùng. Sau khi được một thương hiệu điện tử tiêu dùng nổi tiếng áp dụng, tỷ lệ sửa chữa lỗi nút bấm của sản phẩm đã giảm 60%.
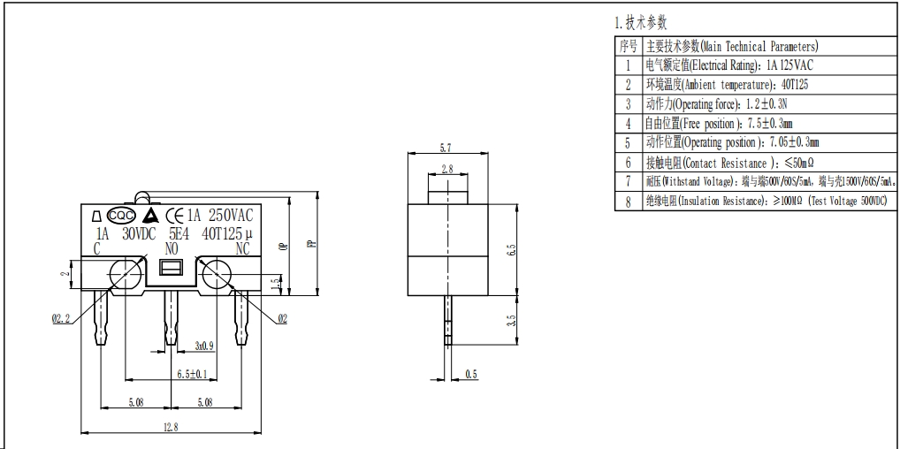
Thông số chuyển đổi vi mô (Thông số kỹ thuật)
| MỤC | Thông số kỹ thuật chính |
| 1 | Đánh giá điện: 1A/3A 250VAC |
| 2 | Tuổi thọ điện: Chu kỳ tối thiểu 10000 |
| 3 | Điện trở tiếp xúc:<50mΩ |
| 4 | Lực lượng điều hành: 70±20gf |
| 5 | Vị trí tự do: 7,3 ± 0,2mm |
| 6 | Vị trí hoạt động: 7,0 ± 0,2mm |
| 7 | Nhiệt độ môi trường xung quanh: T85° |
| 8 | Chịu được điện áp: Giữa thiết bị đầu cuối và thiết bị đầu cuối 500V/5S/5mA; |
| Giữa các cực và vỏ 1500/5S/5mA | |
| 9 | Điện trở cách điện:>100MΩ Điện áp thử nghiệm 500VDC |
| 10 | Chỉ số theo dõi bằng chứng PTI: 175V |
Chi tiết chuyển đổi vi mô
