Là sản phẩm tiêu biểu của Nhà máy điện cáp Yueqing Tongda thể hiện sự tích hợp của tiêu chuẩn hóa và tùy chỉnh cốt lõi, công tắc Micro Switch cho máy nước nóng dùng gas và bếp gas được thiết kế với các nguyên tắc cốt lõi là "sự ổn định, độ tin cậy và khả năng tương thích với cảnh". Nó kết hợp 35 năm chuyên môn sản xuất thiết bị chuyển mạch của công ty, đạt được nhiều sự tối ưu hóa về hiệu suất điện, mức độ bảo vệ và trải nghiệm người dùng. Công tắc này có thể áp dụng rộng rãi cho các tình huống như phân phối điện trong nhà thông minh, thiết bị phụ trợ công nghiệp và dụng cụ y tế nhỏ, khiến nó trở thành thành phần điều khiển mạch ưu tiên giúp cân bằng tính phổ biến với tiềm năng tùy chỉnh.
Công tắc vi môGiới thiệu
Công tắc HK-04G-L tập trung vào yêu cầu thực tế đối với các thông số chính, đáp ứng các tiêu chuẩn điều khiển cơ bản cho nhiều tình huống khác nhau. Các tiếp điểm được làm bằng hợp kim bạc-thiếc và được xử lý bằng phương pháp hàn chính xác, có điện trở tiếp xúc ban đầu là 8mΩ. Nó có thể mang dòng điện xoay chiều 10A-16A một cách đáng tin cậy (điện áp định mức 250V AC), phù hợp với nhu cầu điện năng của hầu hết các thiết bị gia dụng và công nghiệp nhỏ, ngăn ngừa hiệu quả các vấn đề quá nhiệt tiếp xúc hoặc xói mòn do quá tải dòng điện.
Hiệu suất kích hoạt và tuổi thọ đều đáng tin cậy như nhau: nó sử dụng cấu trúc kích hoạt kiểu rocker, với hành trình nhấn 1,3-1,6mm và lực vận hành được kiểm soát trong vòng 1,5-3N. Phản hồi kích hoạt rõ ràng và mượt mà, khiến cho việc sử dụng hàng ngày khó có thể gặp phải tình trạng "nhấn không phản hồi". Tuổi thọ cơ học đạt 80.000 chu kỳ ép và tuổi thọ điện vượt quá 50.000 chu kỳ. Trong các thiết bị sử dụng tần số cao như tủ lạnh, quạt nhỏ, máy in thương mại, nó có thể hoạt động ổn định trong 3-5 năm.
Khả năng thích ứng với môi trường đáp ứng các yêu cầu kịch bản thông thường: Sản phẩm hoạt động trong khoảng nhiệt độ từ -30°C đến 80°C, có khả năng xử lý nhiệt độ thấp vào mùa đông phía Bắc và điều kiện tản nhiệt vào mùa hè; điện trở cách điện ≥50MΩ (500VDC), điện áp đầu cực chịu được đạt 800V AC, đáp ứng tiêu chuẩn an toàn điện dùng trong gia đình và thương mại. Ngoài ra, vỏ được làm bằng vật liệu ABS chống cháy (tuân thủ UL94 V-1), giảm thiểu rủi ro an toàn do đoản mạch gây ra.
Công tắc vi môỨng dụng
Trong các mô hình nhà thông minh và hộ gia đình, HK-04G-L, với kích thước nhỏ gọn (khoảng 20×15×10mm, L×W×H), có thể dễ dàng tích hợp vào các hộp phân phối thông minh, ổ cắm treo tường và bảng điều khiển thiết bị nhỏ. Nó hiện đã trở thành một thành phần được nhiều thương hiệu nhà thông minh trong nước sử dụng cho các chức năng như điều khiển ánh sáng và chuyển đổi nguồn điện của thiết bị. Một thương hiệu cho biết tỷ lệ hỏng hóc của các sản phẩm được trang bị nó thấp hơn 40% so với các công tắc truyền thống.
Trong các kịch bản công nghiệp và thương mại quy mô nhỏ, sản phẩm phù hợp để điều khiển công suất của thiết bị băng tải nhỏ, máy pha cà phê thương mại, máy in văn phòng và các thiết bị khác. Bằng cách tối ưu hóa cấu trúc kết nối thiết bị đầu cuối, nó hỗ trợ lắp đặt hệ thống dây điện nhanh chóng, nâng cao hiệu quả lắp ráp thiết bị. Trước đây, phiên bản tùy chỉnh dành cho nhà sản xuất thiết bị thương mại, thông qua việc điều chỉnh khoảng cách giữa các thiết bị đầu cuối, đã đáp ứng các yêu cầu đi dây bên trong nhỏ gọn của thiết bị của họ, nâng cao hiệu suất lắp đặt lên 25%.
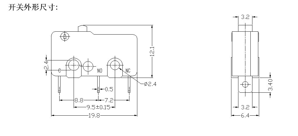
Công tắc vi mô Đặc điểm kỹ thuật
| Chuyển đổi đặc tính kỹ thuật: | |||
| MỤC | Thông số kỹ thuật | Giá trị | |
| 1 | Đánh giá điện | 5(2)A 125V/250VAC 10(3)125V/250VAC | |
| 2 | Điện trở tiếp xúc | ≤50mΩ Giá trị ban đầu | |
| 3 | Điện trở cách điện | ≥100MΩ (500VDC) | |
| 4 |
Điện môi Điện áp |
Giữa thiết bị đầu cuối không kết nối |
500V/0,5mA/60S |
| Giữa các thiết bị đầu cuối và khung kim loại |
1500V/0,5mA/60S | ||
| 5 | Đời sống điện | ≥10000 chu kỳ | |
| 6 | Cuộc sống cơ khí | ≥100000 chu kỳ | |
| 7 | Nhiệt độ hoạt động | -25~125oC | |
| 8 | Tần số hoạt động | Điện: 15 chu kỳ Cơ khí: 60 chu kỳ |
|
| 9 | Chống rung | Tần số rung: 10~55HZ; Biên độ: 1,5mm; Ba hướng: 1H |
|
| 10 | Khả năng hàn: Hơn 80% phần ngâm sẽ được phủ bằng hàn |
Nhiệt độ hàn: 235 ± 5oC Thời gian ngâm: 2 ~ 3S |
|
| 11 | Khả năng chịu nhiệt hàn | Hàn nhúng: 260 ± 5oC 5 ± 1S Hàn thủ công: 300 ± 5oC 2 ~ 3S |
|
| 12 | Phê duyệt an toàn | UL、CSA、VDE、ENEC、CE | |
| 13 | Điều kiện kiểm tra | Nhiệt độ môi trường xung quanh: 20±5oC Độ ẩm tương đối: 65±5%RH Áp suất không khí: 86~106KPa |
|
Dây điện Tongda Công tắc nguồn nội tuyến Micro USB Chi tiết

