Là mẫu chuẩn của dòng công tắc vi mô của Nhà máy điện dây điện Yueqing Tongda, Công tắc phát hiện giới hạn mở thường mở của lò vi sóng HK-14 có ưu điểm cốt lõi là "độ nhạy cao, tuổi thọ siêu dài và khả năng thích ứng trong nhiều tình huống". Tích hợp chuyên môn sản xuất thiết bị chuyển mạch 35 năm của công ty, nó đã trở thành thành phần điều khiển chính trong thiết bị gia dụng, điện tử ô tô, tự động hóa công nghiệp và các lĩnh vực khác nhờ khoảng cách tiếp xúc tối thiểu và cơ chế hoạt động nhanh. Hiệu suất và độ tin cậy của nó đã được chứng nhận bởi nhiều tổ chức có thẩm quyền trên toàn thế giới, đảm bảo vị trí chủ đạo của nó trong thị trường ngách.
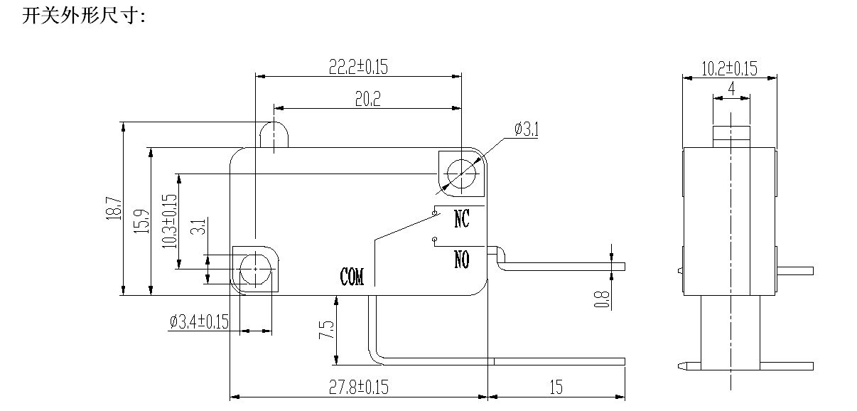
Giới thiệu công tắc vi mô
Yueqing Tongda đã thiết lập một hệ thống quản lý chất lượng toàn diện bao gồm toàn bộ quy trình từ 'nguyên liệu thô - sản xuất - thành phẩm'. Dòng HK-14 trải qua 16 thử nghiệm cốt lõi từ lưu kho nguyên liệu thô đến vận chuyển thành phẩm, bao gồm thử nghiệm điện trở tiếp xúc, thử nghiệm hiệu suất cách điện, thử nghiệm điện trở, thử nghiệm chu kỳ nhiệt độ cao và thấp, thử nghiệm ép độ bền, thử nghiệm phun muối, thử nghiệm độ rung, v.v. Đối với mỗi lô sản phẩm, 3% được chọn ngẫu nhiên để kiểm tra giới hạn phá hủy nhằm đảm bảo tỷ lệ vượt qua nhà máy 100%. Công ty được trang bị 20 dây chuyền sản xuất chính xác hoàn toàn tự động cũng như các thiết bị kiểm tra tiên tiến quốc tế (như máy đo tọa độ Zeiss của Đức và máy kiểm tra hiệu suất điện Fluke của Mỹ) để đảm bảo độ chính xác của sản phẩm và độ ổn định hiệu suất.
Các mô hình phổ biến và kịch bản ứng dụng điển hình:
HK-14-1X-16A-P-200: Thường mở, 16A 250VAC, thanh truyền động con lăn kim loại - thích hợp để kiểm soát giới hạn hành trình trên dây chuyền sản xuất tự động hóa công nghiệp, thiết kế con lăn giúp giảm mài mòn cơ học
HK-14-1-16AP-715: Thường đóng, 16A 250VAC, thanh truyền động con lăn bản lề ngắn — thích hợp để kích hoạt chính xác trong thiết bị kiểm tra y tế, thiết kế thường đóng đảm bảo an toàn cho thiết bị khi tắt nguồn
HK-14-16AP-605: Loại chuyển đổi, 16A 250VAC, thiết kế nhiệt độ rộng - thích hợp cho các công tắc giám sát nhiệt độ trong bộ pin xe năng lượng mới, phạm vi nhiệt độ rộng -40°C~125°C phù hợp với môi trường khắc nghiệt trên xe
HK-14-1X-5A-320: Thường mở, 5A 250VAC, thanh truyền động dạng nút - thích hợp cho công tắc cửa lò vi sóng, nhấn nhạy, bảo vệ an toàn ở mức độ cao
Kịch bản ứng dụng
Đồ gia dụng: Điều khiển cửa lò vi sóng, điều khiển chương trình máy giặt, điều chỉnh tốc độ quạt điều hòa, đảm bảo thiết bị vận hành an toàn
Tự động hóa công nghiệp: Định vị dây chuyền sản xuất, điều khiển giới hạn robot, điều khiển khởi động-dừng băng tải, nâng cao hiệu quả sản xuất lên 35%
Điện tử ô tô: Nâng cửa sổ ô tô, điều chỉnh ghế, cảm biến cốp xe, phù hợp với môi trường khắc nghiệt trong xe
Thiết bị y tế: Điều khiển thiết bị phẫu thuật, kích hoạt tín hiệu dụng cụ phát hiện, đáp ứng các tiêu chuẩn an toàn cấp y tế
Công nghiệp quân sự: Điều khiển thiết bị vũ khí, chuyển đổi thiết bị liên lạc, thích ứng với điều kiện làm việc khắc nghiệt và yêu cầu độ tin cậy cao
Thông số chuyển đổi vi mô (Thông số kỹ thuật)
| Chuyển đổi đặc tính kỹ thuật: | |||
| MỤC | Thông số kỹ thuật | Giá trị | |
| 1 | Đánh giá điện | 5(2)A/10A/16(3)A/21(8)A 250VAC | |
| 2 | Điện trở tiếp xúc | 30mΩ Giá trị ban đầu | |
| 3 | Điện trở cách điện | ≥100MΩ (500VDC) | |
| 4 |
Điện môi Điện áp |
Giữa thiết bị đầu cuối không kết nối |
1000V/0,5mA/60S |
|
Giữa các thiết bị đầu cuối và khung kim loại |
3000V/0,5mA/60S | ||
| 5 | Đời sống điện | ≥50000 chu kỳ | |
| 6 | Cuộc sống cơ khí | ≥1000000 chu kỳ | |
| 7 | Nhiệt độ hoạt động | -25 ~ 125oC | |
| 8 | Tần số hoạt động |
điện: 15 chu kỳ Cơ khí: 60 chu kỳ |
|
| 9 | Chống rung |
Tần số rung: 10~55HZ; Biên độ: 1,5mm; Ba hướng: 1H |
|
| 10 |
Khả năng hàn: Hơn 80% phần ngâm sẽ được phủ bằng chất hàn |
Nhiệt độ hàn: 235 ± 5oC Thời gian ngâm: 2 ~ 3S |
|
| 11 | Khả năng chịu nhiệt hàn |
Hàn nhúng: 260 ± 5oC 5 ± 1S Hàn thủ công: 300 ± 5oC 2 ~ 3S |
|
| 12 | Phê duyệt an toàn | UL、CSA、VDE、ENEC、TUV、CE、KC、CQC | |
| 13 | Điều kiện kiểm tra |
Nhiệt độ môi trường xung quanh: 20±5oC Độ ẩm tương đối: 65±5%RH Áp suất không khí: 86~106KPa |
|
Tính năng và ứng dụng của Micro Switch
Chi tiết chuyển đổi vi mô

