Là mẫu chuẩn của dòng công tắc vi mô của Nhà máy điện dây Yueqing Tongda, Công tắc vi mô của lò vi sóng và máy giặt có "độ nhạy cao, tuổi thọ siêu dài và khả năng thích ứng trong nhiều tình huống" là những ưu điểm cốt lõi của nó. Tích hợp chuyên môn sản xuất thiết bị chuyển mạch 35 năm của công ty, nó đã trở thành thành phần điều khiển chính trong thiết bị gia dụng, điện tử ô tô, tự động hóa công nghiệp và các lĩnh vực khác nhờ khoảng cách tiếp xúc tối thiểu và cơ chế hoạt động nhanh. Hiệu suất và độ tin cậy của nó đã được chứng nhận bởi nhiều tổ chức có thẩm quyền trên toàn thế giới, đảm bảo vị trí chủ đạo của nó trong thị trường ngách.
Giới thiệu công tắc vi mô
Sản phẩm đã đạt được các chứng nhận an toàn lớn trên toàn cầu bao gồm UL, C-UL, ENEC, VDE, CE, CB, TUV, CQC và KC, tuân thủ tiêu chuẩn IEC 61058 và đáp ứng các yêu cầu tiếp cận thị trường ở các khu vực như Châu Âu, Châu Mỹ và Châu Á - Thái Bình Dương. Công ty đã đạt được chứng nhận hệ thống quản lý chất lượng ISO9001 và IATF 16949, đồng thời thực hiện nghiêm túc các chỉ thị môi trường RoHS và REACH, đảm bảo kiểm soát tinh tế trong toàn bộ quá trình sản xuất. Với 6 bằng sáng chế quốc gia và 48 bằng sáng chế mô hình tiện ích, dòng HK-14 đạt được mức độ tin cậy và nhất quán hàng đầu trong ngành.
Hướng dẫn cài đặt và sử dụng
Khi lắp đặt, công tắc phải được gắn trên bề mặt phẳng và được gắn chặt bằng vòng đệm phẳng hoặc vòng đệm lò xo để tránh trục trặc hoặc hư hỏng vỏ do bề mặt không bằng phẳng. Chọn model dựa trên môi trường: đối với điều kiện ẩm ướt hoặc bụi bặm, nên sử dụng phiên bản tùy chỉnh kín để tăng cường khả năng bảo vệ. Không bôi dầu bôi trơn vào nút hoặc bộ truyền động để tránh tiếp xúc dính, hỏng chức năng hoặc thậm chí là cháy nổ. Trong quá trình bảo quản, hãy để sản phẩm ở nơi khô ráo, thoáng mát, tránh mưa, tuyết và tránh nhiệt độ, độ ẩm cao có thể gây lão hóa linh kiện, đảm bảo sản phẩm vẫn giữ được hiệu quả hoạt động ban đầu.
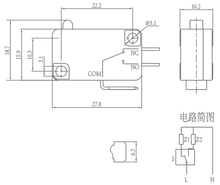
Thông số chuyển đổi vi mô (Thông số kỹ thuật)
| Chuyển đổi đặc tính kỹ thuật: | |||
| MỤC | Thông số kỹ thuật | Giá trị | |
| 1 | Đánh giá điện | 5(2)A/10A/16(3)A/21(8)A 250VAC | |
| 2 | Điện trở tiếp xúc | 30mΩ Giá trị ban đầu | |
| 3 | Điện trở cách điện | ≥100MΩ (500VDC) | |
| 4 |
Điện môi Điện áp |
Giữa thiết bị đầu cuối không kết nối |
1000V/0,5mA/60S |
|
Giữa các thiết bị đầu cuối và khung kim loại |
3000V/0,5mA/60S | ||
| 5 | Đời sống điện | ≥50000 chu kỳ | |
| 6 | Cuộc sống cơ khí | ≥1000000 chu kỳ | |
| 7 | Nhiệt độ hoạt động | -25~125oC | |
| 8 | Tần số hoạt động |
điện: 15 chu kỳ Cơ khí: 60 chu kỳ |
|
| 9 | Chống rung |
Tần số rung: 10~55HZ; Biên độ: 1,5mm; Ba hướng: 1H |
|
| 10 |
Khả năng hàn: Hơn 80% phần ngâm sẽ được phủ bằng hàn |
Nhiệt độ hàn: 235 ± 5oC Thời gian ngâm: 2 ~ 3S |
|
| 11 | Khả năng chịu nhiệt hàn |
Hàn nhúng: 260 ± 5oC 5 ± 1S Hàn thủ công: 300 ± 5oC 2 ~ 3S |
|
| 12 | Phê duyệt an toàn | UL、CSA、VDE、ENEC、TUV、CE、KC、CQC | |
| 13 | Điều kiện kiểm tra |
Nhiệt độ môi trường xung quanh: 20±5oC Độ ẩm tương đối: 65±5%RH Áp suất không khí: 86~106KPa |
|
Tính năng và ứng dụng của Micro Switch
Chi tiết chuyển đổi vi mô
