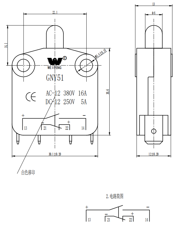
Nút plug loại công tắc micro trong các bộ phận tự động có một khoảng tiếp xúc nhỏ và cơ chế hành động nhanh, và cơ chế tiếp xúc để chuyển đổi hành động với đột quỵ và lực được chỉ định được bao phủ bởi vỏ, và có một hộp số ở bên ngoài, và hình dạng nhỏ.
Sản phẩm Giới thiệuUction
Các công tắc vi mô đẩy đến đẩy là một thành phần điện tử phổ biến được sử dụng để điều khiển trạng thái bật và tắt của một mạch. Nó thường bao gồm một nút và một công tắc thay đổi trạng thái khi nhấn nút.
Các công tắc nút nhấn có thể sử dụng hiệu ứng nhấp nháy, khi nhấn nút, nút sẽ nhấp nháy để thu hút sự chú ý của người dùng.
Sản phẩm Ứng dụngtion và đặc điểm kỹ thuật
Có thể sử dụng các công tắc vi mô loại nút Cột để điều khiển ánh sáng, khi nhấn nút, đèn sẽ bật hoặc tắt. Nó cũng có thể được sử dụng để điều khiển việc chuyển đổi thiết bị điện, điều hòa không khí, v.v ... Trong lĩnh vực công nghiệp, các công tắc nút nhấn được sử dụng rộng rãi để điều khiển sự khởi đầu và dừng của thiết bị cơ học. Nó là thiết bị hộ gia đình, công nghiệp, ô tô hoặc điện tử, nó không thể tách rời với thành phần điều khiển đơn giản này.
| Chuyển đổi đặc điểm kỹ thuật: | |||
| MỤC | Tham số kỹ thuật | Giá trị | |
| 1 | Xếp hạng điện | 16A 250VAC | |
| 2 | Tiếp xúc với điện trở | Giá trị ban đầu ≤50mΩ | |
| 3 | Điện trở cách nhiệt | ≥100mΩ (500VDC) | |
| 4 |
Điện môi Điện áp |
Giữa Thiết bị đầu cuối không kết nối |
500V/0,5mA/60s |
| Giữa các thiết bị đầu cuối và khung kim loại |
1500V/0,5mA/60s | ||
| 5 | Cuộc sống điện | ≥50000 chu kỳ | |
| 6 | Cuộc sống cơ học | ≥100000 chu kỳ | |
| 7 | Nhiệt độ hoạt động | -25 ~ 125 | |
| 8 | Tần số hoạt động | Điện: 15 chu kỳ Cơ học: 60 chu kỳ |
|
| 9 | Bằng chứng rung | Tần số rung: 10 ~ 55Hz; Biên độ: 1,5mm; Ba hướng: 1h |
|
| 10 | Khả năng hàn: Hơn 80% phần đắm chìm sẽ được bao phủ bằng hàn |
Nhiệt độ hàn: 235 ± 5 Thời gian đắm mình: 2 ~ 3s |
|
| 11 | Hàn điện trở | Nhúng hàn: 260 ± 5 ℃ 5 ± 1s Hàn thủ công: 300 ± 5 ℃ 2 ~ 3s |
|
| 12 | Phê duyệt an toàn | UL 、 CSA 、 TUV 、 CQC 、 CE | |
| 13 | Điều kiện kiểm tra | Nhiệt độ môi trường: 20 ± 5 ℃ Độ ẩm tương đối: 65 ± 5%rh Áp suất không khí: 86 ~ 106kpa |
|
Sản phẩm Chi tiết


