Waterproof Micro Switch Ultra Compact
  • Waterproof Micro Switch Ultra CompactWaterproof Micro Switch Ultra Compact

Waterproof Micro Switch Ultra Compact

Micro Switch chống nước Ultra Compact có khoảng cách tiếp xúc nhỏ và cơ chế tác động nhanh, cơ chế tiếp xúc để chuyển mạch với hành trình và lực xác định được bao phủ bởi lớp vỏ, bên ngoài có bộ truyền động và hình dáng nhỏ.

Người mẫu:FSK-20-586

Gửi yêu cầu

Mô tả Sản phẩm

weipeng®là người dẫn đầuTrung Quốc sản xuấtrs, bổ sungiers và nhà xuất khẩu Micro Switch chống nước Ultra Compact

Sản phẩm giới thiệusự vận động 


Công tắc micro chống nước kín này phù hợp cho các công tắc điều khiển trong ngôi nhà thông minh. Nó có thể nhận ra điều khiển từ xa của đèn, rèm cửa, khóa cửa, v.v.Công tắc micro chống nước thường được thiết kế với độ ồn thấp. Khi sử dụng công tắc chống nước, tránh dùng lực quá nhiều hoặc quá ít.Tránh rung hoặc va chạm quá mức của công tắc chống nước.Tránh sử dụng công tắc chống nước bị hư hỏng, nên thay thế kịp thời.Nếu công tắc mini của thiết bị y tế không bình thường hoặc trục trặc thì cần phải ngừng kích hoạt thiết bị này ngay lập tức và tìm kiếm sự trợ giúp bảo trì chuyên nghiệp.Tuân thủ các quy định và tiêu chuẩn an toàn điện có liên quan ở quốc gia hoặc khu vực của bạn.

Công tắc Rocker 30 Volt này có cấu trúc tiếp điểm ngắt đôi, công nghệ dập hồ quang nhanh và chức năng bảo vệ quá tải, đảm bảo hiệu suất an toàn. Nó được trang bị cơ cấu lò xo cấp quân sự và cấu trúc khóa bên trong chống rung, khiến nó đáng tin cậy về chất lượng.


TônCâu hỏi thường gặp về nhà máy gda




Q1.:Bạn có bất kỳ chứng nhận nào về nhà máy hoặc sản phẩm của bạn không?

Trả lời 1: Tất nhiên, chúng tôi có chứng nhận hệ thống mạnh mẽ, như IATF16949, ISO14001, UL, TUV, VDE, Rohs, Reach và các phê duyệt liên quan.


Câu 2. Chính sách mẫu của bạn là gì?

A2: Mẫu miễn phí có thể được cung cấp trong vòng 3 ngày, nhưng khách hàng phải thanh toán phí chuyển phát nhanh.


Q3. Điều khoản đóng gói của bạn là gì?

A3: Nói chung, chúng tôi đóng gói hàng hóa trong hộp trung tính và thùng màu nâu, hoặc tùy chỉnh nếu đạt được số lượng.


Q4. Điều khoản thanh toán của bạn là gì?

A4: Thông thường, T / T 30% dưới dạng tiền gửi và 70% trước khi giao hàng., Nếu số tiền> 2000USD



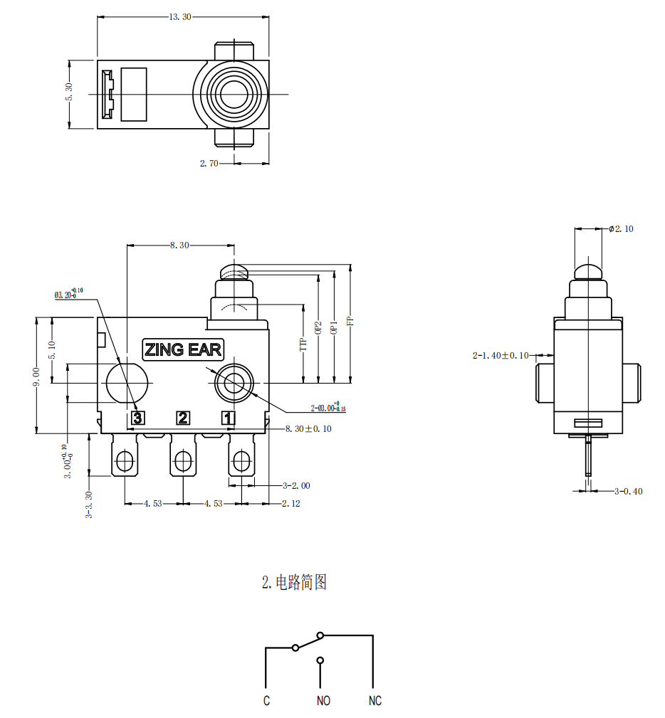
Sản phẩmĐặc điểm kỹ thuật

Chuyển đổi đặc tính kỹ thuật:
MỤC Thông số kỹ thuật Giá trị
1 Đánh giá điện 10mA 14V DC/0,1A 30VDC
2 Lực lượng điều hành .51,5N
6 Đời sống điện ≥50000 chu kỳ
7 Cuộc sống cơ khí ≥100000 chu kỳ
8 KHÔNG(Vị trí điều hành) 8,4 ± 0,3mm
9 NC(Vị trí điều hành) 8,7 ± 0,3mm
10 Chống rung Tần số rung: 10 ~ 55HZ
Biên độ: 1,5mm
Ba hướng: 1H
11 Khả năng hàn: Hơn 80% phần ngâm
sẽ được phủ bằng chất hàn
Nhiệt độ hàn: 235 ± 5oC
Thời gian ngâm: 2 ~ 3S
12 Khả năng chịu nhiệt hàn Hàn nhúng: 260 ± 5oC 5 ± 1S
Hàn thủ công: 300 ± 5oC 2 ~ 3S
13 Điều kiện kiểm tra Nhiệt độ môi trường xung quanh: 20±5oC
Độ ẩm tương đối: 65±5%RH
Áp suất không khí: 86~106KPa


Chi tiết sản phẩms




Thẻ nóng: Als de belangrijkste microschakelaar die door Yueqing Tongda is ontwikkeld voor scenario's met precisiecontrole voor algemene doeleinden, is de Weipeng Charging Gun Button waterdichte reisdetectiemicroschakelaar gepositioneerd rond een 'compact ontwerp en snelle, nauwkeurige triggering'. Met 35 jaar ervaring in de productie van microschakelaars combineert het een gevoelige respons, een lange levensduur en een breed aanpassingsvermogen, waardoor het een sleutelcomponent is voor circuitcontrole in consumentenelektronica, industriële besturing, smart home-apparaten en meer, en betrouwbare reisdetectie en functionele aan/uit-oplossingen voor apparatuur biedt.
Danh mục liên quan
Gửi yêu cầu
Xin vui lòng gửi yêu cầu của bạn trong mẫu dưới đây. Chúng tôi sẽ trả lời bạn trong 24 giờ.
X
Chúng tôi sử dụng cookie để cung cấp cho bạn trải nghiệm duyệt web tốt hơn, phân tích lưu lượng truy cập trang web và cá nhân hóa nội dung. Bằng cách sử dụng trang web này, bạn đồng ý với việc chúng tôi sử dụng cookie. Chính sách bảo mật
Từ chối Chấp nhận